This project is for my Senior Capstone…
Setup Using Pumpkins
(eventually will be replaced with humans)

The Camera

My Initial Code
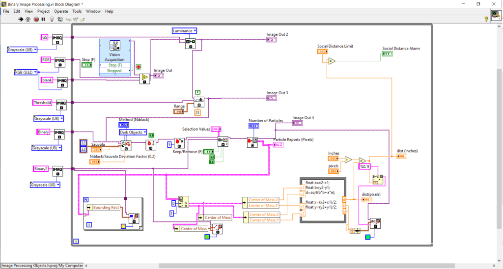
Thresholding and using a binary detection algorithm to convert RGB into Gray scale and then into a filtered binary image.
You’ll notice the inline C code (LabVIEW formula node) to calculate the distance using Pythagorean theorem.
I overlay the measured distance with a line between the objects.
… and the results (thus far)…
This is my first phase and will next am planning to:
- Make a scoring system for grading social distancing over time
- Adding real people detection instead of pumpkins as part of testing trials
- Improving algorithm to account for different lighting conditions
- Collecting the data to present in real time to show social distancing with time stamps



